返回 首页 迷你导航

在电机正反转中,为什么两个接触器的常闭点与线圈要相互串联?

在电机正反转中,为什么两个接触器的常闭点与线圈要相互串联?


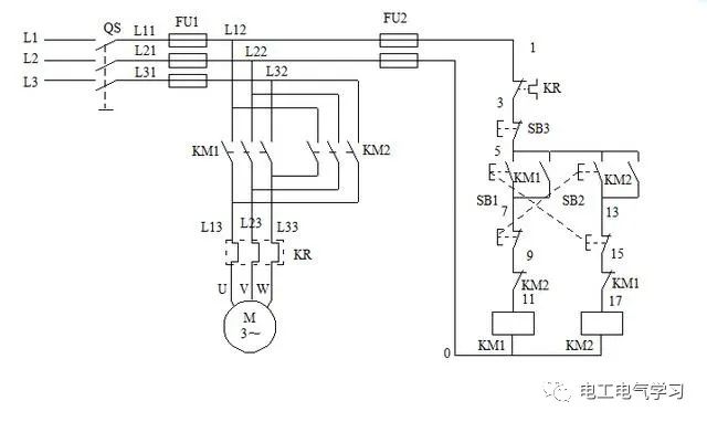
在三相电机正反转中,两个接触器常闭点与线圈串联的目的在于互锁,防止两个接触器同时吸合导致电机损坏。

三相电机正反转原理

要提互锁不得不提三相电机正反转,三相电机正反转电路是电工基础中最常用最基本的电路,我们作为维修维护人员对于这个电路要熟记于心,因为这个电路中有很多值得我们学习的。

首先就是三相电机正反转的原理,三相电机正反转采用的是换相的方法,也就是三相中任意两相调动位置使空间时间上出现120度相位差,让转子与定子间产生磁场,达到换相的作用。

三相电机正反转中的互锁

点动电路及自锁电路,我们都知道意义所在,那么这个互锁电路是什么道理呢?因为在正转的时候想要切到反转,这个时候必须按下停止按钮,再按下反转按钮才能切换过去,而且这个时候按下正转按钮是两个交流接触器同时吸合出现跳舞的情况。

这是非常危险的行为,长时间处于这种状态,一方面交流接触器会损坏,另一方面电机也会因为电压的问题出现损坏,那么就需要在正转和反转控制电路中实现限制,也就是我们所说的互锁。

在正转电路中串联反转交流接触器的常闭触点,在反转电路中串联正转交流接触器的触点,这个时候电路在正转的时候按下反转按钮,电路是丝毫没有反应,也不会出现跳舞的情况,保障了用电设备的安全。

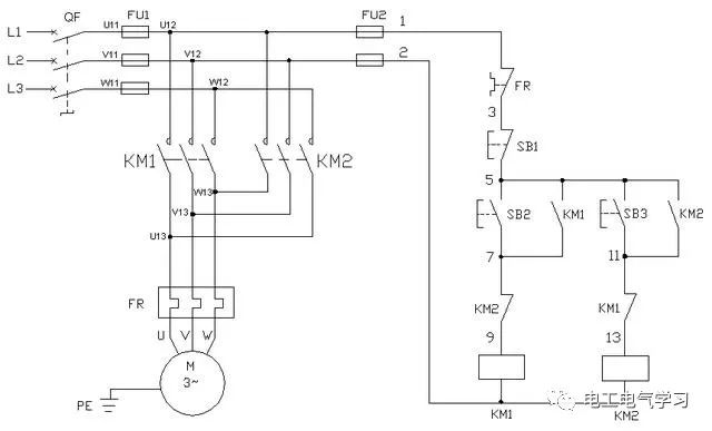
按钮的互锁

上面是电气互锁,也就是正反转状态之间的互锁,在实际运用中我们还会加入按钮互锁,按钮互锁的作用也是很明显,上面讲到在正转的过程中,按反转是没有任何作用的,想要达到反转状态,需要先按下停止按钮,再按下反转按钮才会达到反转的状态。

想要直接切换就要加入按钮互锁,按钮互锁是把正转按钮中常闭触点接到反转电路中,把反转按钮中的常闭触点串联到正转控制电路中,这样我们在正转状态下按下反转启动按钮。点击自动切到反转状态,无需在按下添加按钮。

以上就是三相电机控制电路中最为常用,典型的控制思路及控制方法,我们在选择互锁的时候一定要按需选择,有的场合不适合直接切换正反转状态,我们就不要盲目添加按钮互锁。

点击右上角分享到